Die schmale, bodengleiche Duschrinne Linearis Infinity ist für die Linienentwässerung im Innenbereich für den häuslichen und gewerblichen Bereich geeignet. Das Rinnenprofil aus Edelstahl 1.4404 (V4A) ist gerade oder in drei Winkeln (30, 45 und 90 Grad) verlängerbar. Der Grundkörper aus PP ist mit Schall- und Setzungsdämpfern ausgestattet. Diese vermindern Betriebsgeräusche und können Setzungen des Bodenaufbaus ausgleichen. Die Rinne enthält einen Klipsflansch mit werkseitig angebrachter Dichtmanschette nach DIN EN 1253-1 und DIN 18534-1-W3-I. Das Rinnenprofil kann zum Ausgleich von Bautoleranzen im Klipsflansch in Längs- und Querrichtung verschoben werden. Inklusive Geruchsverschluss mit 50 mm Wasservorlage. Sickerwasseröffnungen offen, ohne ein Fluten der Abdichtungsebene bei Aufstau.
Ausführung
Wassereinwirkungsklasse nach DIN 18534-1 (bis einschließlich): W3-I
Sperrwasserhöhe: 50 mm
Ablaufleistung (l/s) mit 10 mm Aufstau: 0,6
Ablaufleistung (l/s) mit 20 mm Aufstau: 0,8
Allgemeine Merkmale
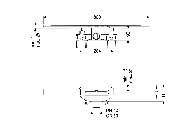
Nennweite (DN): 50
Geruchsverschluss: mit 50 mm Wasservorlage
Abmessungen
Gewicht netto: 2,84 kg
Gewicht brutto: 2,84 kg
Minimale Bauhöhe (Grundkörper): 90 mm
Höhenverstellbar: ja
Länge: 264 mm
Breite: 111 mm
Verpackungsmaß Länge: 1112 mm
Verpackungsmaß Breite: 256 mm
Verpackungsmaß Höhe: 110 mm
Behälter/Grundkörper
Auslauf Nennweite (DA): 50 mm
Auslauf Nennweite (DN): 50 mm
Material Grundkörper: PP
Stutzen Ausführung: waagrecht
Abdeckungsmerkmale
Abdeckungsart: Edelstahl-Abdeckung
Abdeckung Material: Edelstahl 1.4404 (V4A)
Abdeckung Breite: 45 mm
Abdeckung Länge: 800 mm
Bodenbelaghöhe min.: 11 mm
Oberfläche: Bronze gebürstet
Verriegelung: eingelegt
Belastungsklasse: K 3 (EN 1253-1)
Bodenbelaghöhe max.: 25 mm
Form Aufsatzstück: eckig