Der Abscheider für fetthaltiges Abwasser zum Einbau ins Erdreich besteht aus einem Fettabscheider sowie einem Technikschacht. Die zweiteilige Anlage aus dauerhaft beständigem Kunststoff (PE) ist mit einem integrierten Schlammfang sowie einer integrierten Probenahmeeinrichtung ausgestattet. Der Zugang für Reinigungs- und Wartungsarbeiten ist über Revisionsöffnungen möglich mit Aufsatzstücken aus Kunststoff zum stufenlosen Höhen- und Niveauausgleich. Das innovative Schredder-Mix-System mit integriertem Zerhacker übernimmt die Homogenisierung und Umwälzung des Behälterinhaltes. Die Reinigung und geruchsneutrale Entsorgung erfolgt dabei über eine außenliegende, überflutbare Pumpe, die in einem separaten Technikschacht verbaut ist und mit einem Absperrschieber vom Behälter getrennt werden kann. Der vollautomatische Programmablauf wird durch ein anwenderfreundliches Schaltgerät mit mehrzeiliger Displayanzeige gesteuert, das über einen potentialfreien Kontakt in die Gebäudeleittechnik eingebunden werden kann. Das Schaltgerät mit einer Kabellänge von 10 m ist werkseitig im Technikschacht verbaut. Über eine Fernbedienung kann die Reinigung und Entsorgung von einer entfernten Stelle aus gestartet werden. Durch das individualisierbare Reinigungsprogramm mit Schnellwahlfunktion kann die Reinigung bedarfsgerecht an die örtlichen Gegebenheiten angepasst werden. Mithilfe einer vollautomatisierten Spülung der Trinkwasserleitungen kann die Einhaltung der Trinkwasser-Hygiene-Verordnung gewährleistet werden. Die Fülleinrichtung und Magnetventile müssen bauseitig in einem trockenen Raum installiert werden. Die Verbindungen zwischen Fettabscheider und Technikschacht sowie die Leerrohre und Verbindungen sind bauseitig zu erstellen. (siehe Verbindungs- und Anschlussset 917421). Bei Belastungsklasse D ist bauseits eine Lastverteilungsplatte zu verbauen. Die Bewehrungspläne sind bei KESSEL erhältlich. Gewährleistung auf den Werkstoff PE 20 Jahre.
Ausführung
Hinweis Einbau: Erdeinbau frostfreie Tiefe 1700 mm
Absperreinrichtung: ja
Entsorgungsvariante: Auto Mix & Pump
Schredder-Mix-System: ja
Schauglas: nein
Nenngröße (NS): 1
SonicControl: nein
Entsorgungseinrichtung: Entsorgungspumpe
Fülleinrichtung nach DIN 1988: ja
Entsorgungsart: automatisches Entsorgungs- und Reinigungssystem
Wasserversorgung: 2 Magnetventile 1"
Probenahmeeinrichtung: Typ NBG
Tragfähigkeit (DIN 19901): E2
Allgemeine Merkmale
Norm: EN 1825: 2004
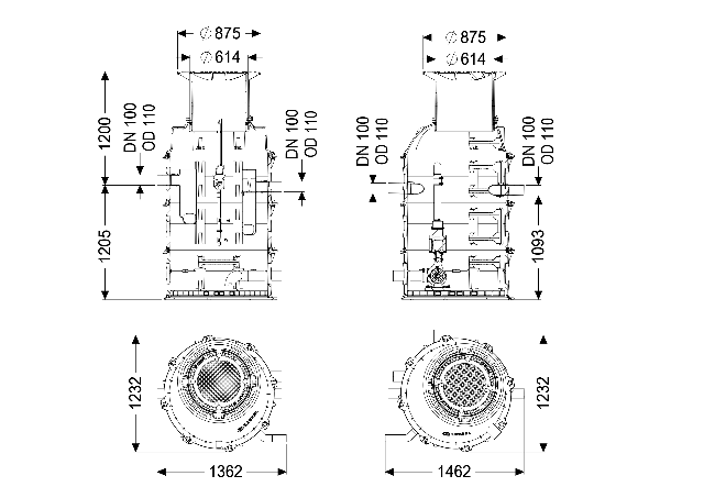
Abmessungen
Gewicht netto: 490 kg
Gewicht brutto: 510 kg
Grundwasserbeständigkeit ab Unterkante Bodenteil: 3000 mm
Durchmesser: 648 mm
Länge max.: 2790 mm
Einbautiefe: 1260 - 1700 mm
Einbringmaß Länge: 1425 mm
Einbringmaß Breite: 1235 mm
Verpackungsmaß Länge: 3812 mm
Verpackungsmaß Breite: 1287 mm
Verpackungsmaß Höhe: 2418 mm
Behälter/Grundkörper
Abstand Rohrsohle Auslauf zu Behälterboden: 595 mm
Abstand Rohrsohle Zulauf zu Behälterboden: 705 mm
Auslauf Nennweite (DA): 110 mm
Auslauf Nennweite (DN): 100
Zulauf Nennweite (DA): 110 mm
Zulauf Nennweite (DN): 100
Anschluss Zu-/Auslaufstutzen: PE-HD-Rohre nach DIN 19537, PVC-KG-Rohre nach DIN 19534, PP oder AS
Lichte Weite Behälter (LW): 1000 mm
Lichte Weite Einstieg (LW): 600 mm
Abdeckungsmerkmale
Abdeckungsart: Abdeckplatte
Abdeckung Material: Grauguss
Abdeckung Farbe: schwarz
Verriegelung: unverriegelt
Belastungsklasse: B 125 (EN 124)
Dichtheit: geruchs- und tagwasserdicht
Abwasserinhalt
Abscheiderinhalt: 230 l
Gesamtvolumen: 370 l
Schlammfanginhalt: 140 l
Speichermenge an Fett: 70 l
Fördereinrichtung
Pumpe: SPF 300 IP68
Anzahl Pumpen: 1
Gewicht Pumpe: 44 kg
Anschlusstyp: Direktanschluss
Schutzklasse: I
Isolationsklasse: F
Schutzart Pumpe: IP 68
Temperaturüberwachung: integriert
Förderguttemperatur (dauerhaft) max.: 40 °C
Förderleistung max.: 60 m³/h
Förderhöhe max.: 17 m
Drehzahl: 2850 U/min
Leistung P1: 3,6 kW
Leistung P2: 3 kW
Betriebsart: S2 - 30 Min.
Typ Anschlussleitung Pumpe: H07RN-F 7G 1,5 mm²
Laufrad Typ: Radiallaufrad mit Zerhacker
Länge Netzanschlussleitung Pumpe: 5 m
Nennstrom: 6,2 A
Steuerung
Schaltgerät: ja
Motorschutz Schalter: ja
Erforderliche Absicherung (RCD): 30 mA
Schutzart Schaltgerät: IP 54
Netzfrequenz: 50 Hz
Betriebsspannung: 400 V
Anschlusstyp: Direktanschluss
Potentialfreier Kontakt: ja
GSM-Schnittstelle: nein
USB-Schnittstelle: ja
Logbuchfunktion: ja
Mehrzeilige Displayanzeige: ja
Batteriepufferung: nein
Selbstdiagnosesystem (SDS): ja
Erforderliche Absicherung Schaltgerät: Absicherung über Schaltgerät 400 V