Die Anlage zum Einbau ins Erdreich besteht aus einer Kombination aus einem Abscheider für fetthaltiges Abwasser inkl. Schlammfang, einer Probenahmeeinrichtung sowie einer Pumpstation.
Der Behälter aller Anlagenteile ist aus dauerhaft beständigem Kunststoff (PE) gefertigt. Der Zugang für Reinigungs- und Wartungsarbeiten zu den einzelnen Anlagenteilen ist über zwei Revisionsöffnungen möglich.
Für die geruchsreduzierte manuelle Entsorgung ist ein Direktentsorgungsstutzen vorhanden.
Die Pumpstation ist mit zwei überflutbaren Pumpen inklusive Rückflussverhinderer ausgestattet. Die Ansteuerung der Pumpen erfolgt über eine Pegelsonde.
Die Steuerung erfolgt durch ein anwenderfreundliches Schaltgerät, das in die Gebäudeleittechnik eingebunden werden oder optional Alarm- und Sammelstörmeldungen ausgeben kann.
Bei Belastungsklasse D ist bauseitig eine Lastverteilplatte zu verbauen. Die Bewehrungspläne sind bei KESSEL erhältlich. Gewährleistung auf den Werkstoff PE 20 Jahre.
Ausführung
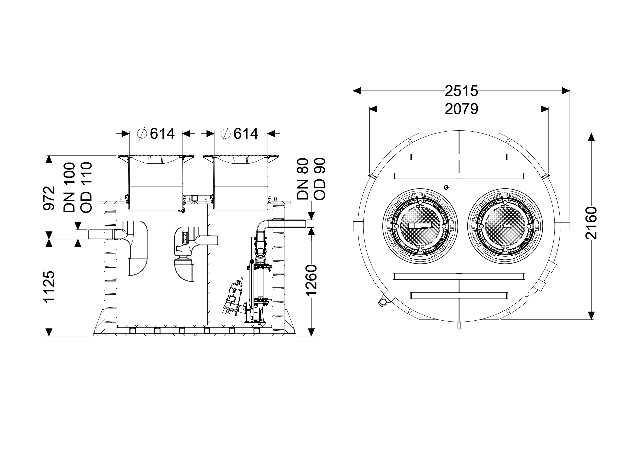
Fließrichtung: rechts
Schachtsystem: Wickelrohrschacht
Entsorgungsvariante: Direct
Schredder-Mix-System: nein
Nenngröße (NS): 4
SonicControl: nein
Entsorgungseinrichtung: Entsorgungsanschluss
Entsorgungsart: manuell mit Saugschlauch
Tragfähigkeit (DIN 19901): E2
Allgemeine Merkmale
Dichtheit: geruchs- und tagwasserdicht
Abmessungen
Gewicht netto: 1030 kg
Gewicht brutto: 1084 kg
Grundwasserbeständigkeit ab Unterkante Bodenteil: 2085 mm
Einbautiefe: 550 - 960 mm
Länge: 2160 mm
Breite: 2505 mm
Verpackungsmaß Länge: 3400 mm
Verpackungsmaß Breite: 2250 mm
Verpackungsmaß Höhe: 1835 mm
Behälter/Grundkörper
Druckabgang (DN): 90
Druckabgang (DA): 90 mm
Abstand Rohrsohle Auslauf zu Behälterboden: 830 mm
Abstand Rohrsohle Zulauf zu Behälterboden: 1125 mm
Auslauf Nennweite (DA): 110 mm
Auslauf Anzahl: 1
Auslauf Nennweite (DN): 100
Zulauf Nennweite (DA): 110 mm
Zulauf Nennweite (DN): 100
Zulauf Anzahl: 1
Anschluss Zu-/Auslaufstutzen: PE-HD-Rohre nach DIN 19537, PVC-KG-Rohre nach DIN 19534, PP oder AS
Lichte Weite Einstieg (LW): 600 mm
Abdeckungsmerkmale
Abdeckungsart: Abdeckplatte
Abdeckung Material: Grauguss
Abdeckung Farbe: schwarz
Abdeckung Höhe: 95 mm
Verriegelung: unverriegelt
Belastungsklasse: B 125 (EN 124)
Dichtheit: geruchs- und tagwasserdicht
Abwasserinhalt
Abscheiderinhalt: 1000 l
Fettschichtdicke max.: 110 mm
Gesamtvolumen: 1400 l
Schlammfanginhalt: 400 l
Speichermenge an Fett: 160 l
Fördereinrichtung
Pumpe: GTF 1400
Anzahl Pumpen: 2
Gewicht Pumpe: 12 kg
Schutzklasse: I
Isolationsklasse: H
Cos phi - Leistungsfaktor: 0,8
Schutzart Pumpe: IP 68
Förderguttemperatur (dauerhaft) max.: 40 °C
Förderleistung max.: 31 m³/h
Förderhöhe max.: 10,5 m
Drehzahl: 2900 U/min
Leistung P1: 1,5 kW
Leistung P2: 1,1 kW
Betriebsart: S1
Typ Anschlussleitung Pumpe: H07RN-F 4G 1.5 mm² mm²
Laufrad Typ: Freistromrad
Länge Netzanschlussleitung Pumpe: 10 m
Nennstrom: 6,5 A
Steuerung
Schaltgerät: Comfort
Motorschutz Schalter: ja
Alarmgeber: Pegelsonde
Instrument Niveauerfassung: Pegelsonde
Art Niveauerfassung: hydrostatisch
Schutzart Schaltgerät: IP 54
Netzfrequenz: 50 Hz
Betriebsspannung: 400 V
Potentialfreier Kontakt: ja
GSM-Schnittstelle: ja
Logbuchfunktion: ja
Mehrzeilige Displayanzeige: ja
Batteriepufferung: ja
Selbstdiagnosesystem (SDS): ja
Erforderliche Absicherung Schaltgerät: C 16 A