Die Anlage zum Einbau ins Erdreich besteht aus einer Kombination aus einem Abscheider für fetthaltiges Abwasser inkl. Schlammfang, einer Probenahmeeinrichtung sowie einer Pumpstation.
Der Behälter aller Anlagenteile ist aus dauerhaft beständigem Kunststoff (PE) gefertigt. Der Zugang für Reinigungs- und Wartungsarbeiten zu den einzelnen Anlagenteilen ist über zwei Revisionsöffnungen möglich.
Für die geruchsreduzierte manuelle Entsorgung ist ein Direktentsorgungsstutzen vorhanden.
Die Pumpstation ist mit zwei überflutbaren Pumpen inklusive Rückflussverhinderer ausgestattet. Die Ansteuerung der Pumpen erfolgt über eine Pegelsonde.
Die Steuerung erfolgt durch ein anwenderfreundliches Schaltgerät, das in die Gebäudeleittechnik eingebunden werden oder optional Alarm- und Sammelstörmeldungen ausgeben kann.
Bei Belastungsklasse D ist bauseitig eine Lastverteilplatte zu verbauen. Die Bewehrungspläne sind bei KESSEL erhältlich. Gewährleistung auf den Werkstoff PE 20 Jahre.
Ausführung
Fließrichtung: rechts
Schachtsystem: Zisterne
Entsorgungsvariante: Direct
Nenngröße (NS): 4
Entsorgungseinrichtung: Entsorgungsrohr
Entsorgungsart: manuell
Allgemeine Merkmale
Einbausituation: Einbau ins Erdreich
Dichtheit: geruchs- und tagwasserdicht
Abmessungen
Gewicht netto: 847 kg
Gewicht brutto: 879 kg
Grundwasserbeständigkeit ab Unterkante Bodenteil: 1800 mm
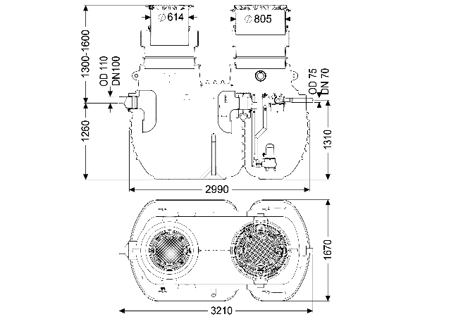
Einbautiefe: 1130 - 1600 mm
Einbringmaß Länge: 3210 mm
Länge: 2690 mm
Breite: 1670 mm
Verpackungsmaß Länge: 4188 mm
Verpackungsmaß Breite: 2870 mm
Verpackungsmaß Höhe: 1960 mm
Höhe Druckstutzen: 1310 mm
Behälter/Grundkörper
Druckabgang (DN): 65
Druckabgang (DA): 75 mm
Abstand Rohrsohle Zulauf zu Behälterboden: 1260 mm
Zulauf Nennweite (DA): 110 mm
Zulauf Nennweite (DN): 100
Zulauf Anzahl: 1
Lichte Weite Einstieg (LW): 600 mm
Abdeckungsmerkmale
Abdeckungsart: Abdeckplatte
Abdeckung Material: Grauguss
Abdeckung Farbe: schwarz
Verriegelung: Lock & Lift
Belastungsklasse: D 400 (EN 124)
Dichtheit: geruchs- und tagwasserdicht
Abwasserinhalt
Abscheiderinhalt: 2085 l
Fettschichtdicke max.: 115 mm
Gesamtvolumen: 2485 l
Schlammfanginhalt: 400 l
Speichermenge an Fett: 160 l
Fördereinrichtung
Pumpe: GTK 1300
Anzahl Pumpen: 2
Gewicht Pumpe: 27 kg
Anschlusstyp: Direktanschluss
Schutzklasse: I
Isolationsklasse: H
Cos phi - Leistungsfaktor: 0,8
Schutzart Pumpe: IP 68 (20m)
Temperaturüberwachung: integriert
Förderguttemperatur (dauerhaft) max.: 40 °C
Förderleistung max.: 57 m³/h
Förderhöhe max.: 12,4 m
Drehzahl: 2900 U/min
Leistung P1: 1,3 kW
Leistung P2: 1 kW
Betriebsart: S1
Typ Anschlussleitung Pumpe: H07RN-F 7G 1,5 mm²
Laufrad Typ: Einkanalrad
Länge Netzanschlussleitung Pumpe: 10 m
Nennstrom: 2,5 A
Steuerung
Alarmgeber: Pegelsonde
Art Niveauerfassung: hydrostatisch
Anschlusstyp: Direktanschluss
Batteriepufferung: ja