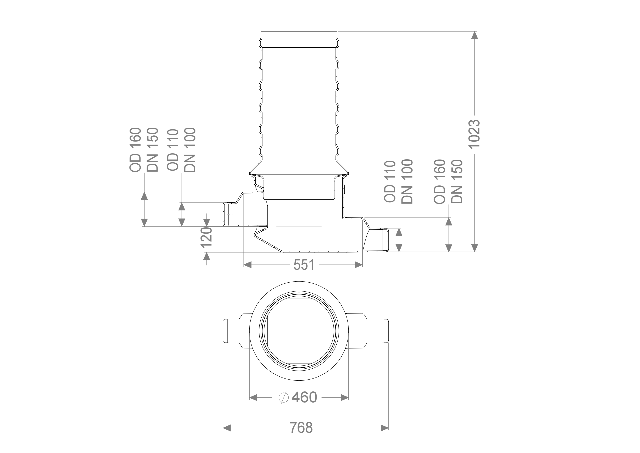
Probenahmeschacht LW 400, DN 100/150, Klasse B, belüftet
für Abscheideanlagen, zum Einbau ins Erdreich, aus Polyethylen,
leerlaufend, wasserdicht, beständig gegen aggressive Abwässer.
Aufsatzstück aus Kunststoff für stufenlosen Höhen- und Niveauausgleich.
Abdeckplatte aus Grauguss nach EN 124, inklusive Belüftung.
Nennweite: DN 100/150 (DA 110/160 mm)
Einbautiefe Zulauf: 900 bis 1300 mm (kürzbar durch Absägen auf 400 mm)
Ausführung
Fließrichtung: gerade
Schachtsystem: LW 400
Abmessungen
Gewicht netto: 25 kg
Gewicht brutto: 30 kg
Gefällesprung: 120 mm
Einbautiefe: 400 - 1300 mm
Verpackungsmaß Länge: 700 mm
Verpackungsmaß Breite: 800 mm
Verpackungsmaß Höhe: 1350 mm
Abdeckungsmerkmale
Abdeckungsart: tagwasserdicht
Belastungsklasse: B 125 (EN 124)