Der Rückstauverschluss für fäkalienfreies Abwasser ist mit zwei mechanischen Klappen ausgestattet, die bei Rückstau selbsttätig schließen. Eine Klappe dient gleichzeitig als handverriegelbarer Notverschluss.
Ausführung
Notverschluss: ja
Mechanische Rückstauklappen: 2
Allgemeine Merkmale
Farbe: weiß
Norm: EN 13564
Nennweite (DN): 50
Abwasserart: fäkalienfrei
Einbausituation: Einbau als Einlauftrichter
Auslieferungszustand: installationsfertig
Rückstauschutz: Typ 5
Abmessungen
Gewicht netto: 0,54 kg
Gewicht brutto: 0,73 kg
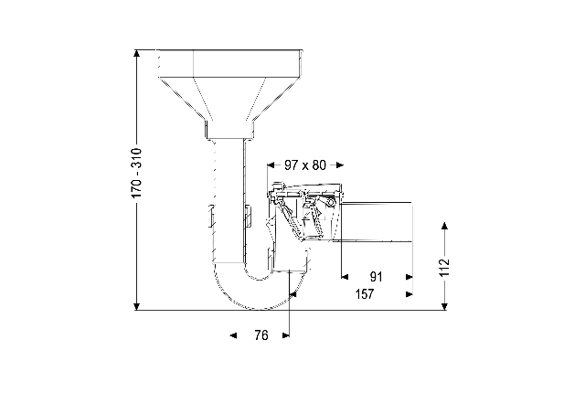
Länge: 260 mm
Breite: 80 mm
Höhe: 370 mm
Verpackungsmaß Länge: 285 mm
Verpackungsmaß Breite: 285 mm
Verpackungsmaß Höhe: 105 mm
Abdeckungsmerkmale
Verriegelung Deckel: Einhandverschluss