Die Pumpstation ist mit einer oder zwei überflutbaren Pumpen sowie einem Rückflussverhinderer ausgestattet. Der Sammelbehälter aus dauerhaft beständigem Kunststoff (PE) besitzt einen offenen Pumpenraum mit universalen Anschlussmöglichkeiten. Durch das modulare KESSEL-Baukastensystem stehen für den weiteren Aufbau verschiedene Technikschacht-Varianten als Zubehör zur Verfügung. Zugkette aus Edelstahl zur Entnahme pro Pumpe ist je nach Einbautiefe optional zu bestellen mit Art.-Nr.: 680528 = Länge 2 m 680529 = Länge 3 m 680530 = Länge 4 m 680531 = Länge 5 m
Ausführung
Anlagenart: Doppelanlage
Durchgangsdichtung für Kabelleerrohr (DN): 63
Durchgangsdichtung für Entlüftungsleitung (DN): 50
Aufstellung: Nassaufstellung
Rückflussverhinderer: integriert
Druckabgang: waagrecht
Allgemeine Merkmale
Farbe: schwarz
Norm: EN 12050-2 sowie EN 12050-1 (ohne ATEX Anforderungen)
Abwasserart: fäkalienhaltig und fäkalienfrei
Einbausituation: Einbau in die Bodenplatte
Auslieferungszustand: vormontiert zur bauseitigen Endmontage (Pumpen und Sensorik sind bauseits zu montieren sowie Schaltgerät ist anzuschließen)
Anlagen Typ: Duo
Abmessungen
Gewicht netto: 192 kg
Gewicht brutto: 213 kg
Grundwasserbeständigkeit ab Unterkante Bodenteil: 3000 mm
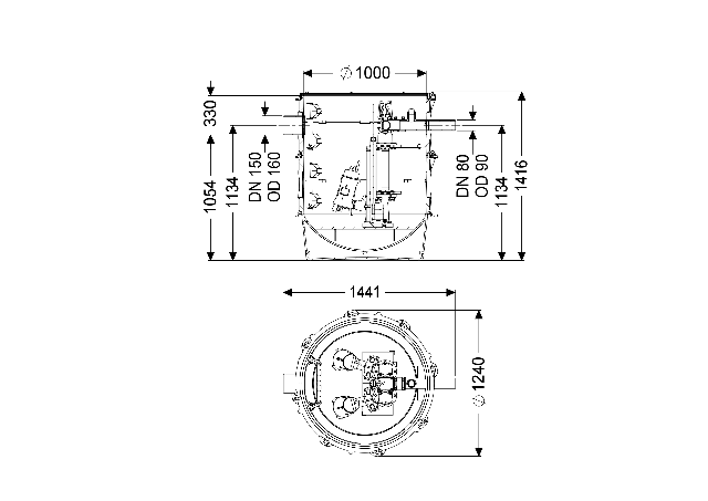
Länge: 1300 mm
Breite: 1300 mm
Höhe: 1416 mm
Behälter/Grundkörper
Druckabgang (DN): 80
Druckabgang (DA): 90 mm
Zulauf Nennweite (DA): 160 mm
Zulauf Nennweite (DN): 150
Zulauf Anzahl: 1
Nutzvolumen: 350 l
Fördereinrichtung
Pumpe: GTF 1400
Anzahl Pumpen: 2
Gewicht Pumpe: 22 kg
Anschlusstyp: Direktanschluss
Schutzklasse: I
Isolationsklasse: H
Schutzart Pumpe: IP 68 (20m)
Temperaturüberwachung: integriert
Förderguttemperatur (dauerhaft) max.: 40 °C
Förderleistung max.: 31 m³/h
Förderhöhe max.: 10,5 m
Drehzahl: 2900 U/min
Leistung P1: 1,5 kW
Leistung P2: 1,1 kW
Betriebsart: S1
Typ Anschlussleitung Pumpe: H07RN-F 4G 1.5 mm² mm²
Laufrad Typ: Freistromrad
Länge Netzanschlussleitung Pumpe: 10 m
Nennstrom: 6,5 A
Steuerung
Schaltgerät: Comfort
Funktion Schaltgerät: mit Alarmmeldung
Motorschutz Schalter: ja
Alarmgeber: Pegelsonde
Instrument Niveauerfassung: Pegelsonde
Art Niveauerfassung: hydrostatisch
Schutzart Schaltgerät: IP 54
Netzfrequenz: 50 Hz
Betriebsspannung: 400 V
Anschlusstyp: Direktanschluss
Länge Netzanschlussleitung Schaltgerät: 1,4 m
Potentialfreier Kontakt: optional
GSM-Schnittstelle: ja
USB-Schnittstelle: ja
Logbuchfunktion: ja
Mehrzeilige Displayanzeige: ja
Batteriepufferung: ja
Selbstdiagnosesystem (SDS): ja
Variante der Warneinrichtung: akustische und optische Meldung
Erforderliche Absicherung Schaltgerät: C 16 A